Magna Concursos
2201071 Ano: 2022
Disciplina: Engenharia Eletrônica
Banca: SELECON
Orgão: IF-RJ
Provas:

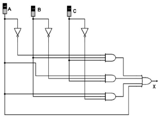
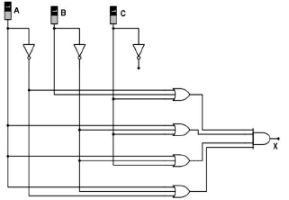
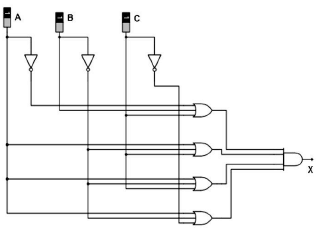
Deseja-se projetar um circuito lógico com três entradas e uma saída. A saída é um alarme que deve ser acionado toda vez que duas ou mais entradas estejam acionadas. Considerando A, B e C as entradas e Y a saída, o circuito que representa o projeto é ilustrado na figura:

Questão Anulada e Desatualizada

Provas

Questão presente nas seguintes provas

Técnico de Eletrotécnica

50 Questões