Magna Concursos
3746254 Ano: 2024
Disciplina: Engenharia Elétrica
Banca: IBFC
Orgão: Correios
Provas:

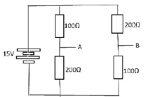
Analise a figura abaixo.

Enunciado 4511920-1

Assinale a alternativa que apresenta o valor da tensão entre os pontos A e B da figura acima.

 

Provas

Questão presente nas seguintes provas

Engenheiro Eletricista

50 Questões