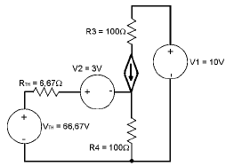
Considere o circuito elétrico abaixo.

Com referência ao circuito apresentado, julgue o seguinte item.
O equivalente de Thévenin do circuito apresentado é mostrado a seguir.

Provas
Questão presente nas seguintes provas
Especialista da Telebrás - Engenheiro Eletricista
120 Questões