Dado o amplificador abaixo, considere â = 100, VBE = 0.7 V e VT = 25 mV.

As correntes de polarização IB, IC e IE são, respectivamente:
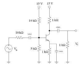
Dado o amplificador abaixo, considere â = 100, VBE = 0.7 V e VT = 25 mV.

As correntes de polarização IB, IC e IE são, respectivamente: