- Álgebra Booleana e Circuitos Lógicos
- Contadores em Engenharia Eletrônica
- Eletrônica Digital na Engenharia Eletrônica
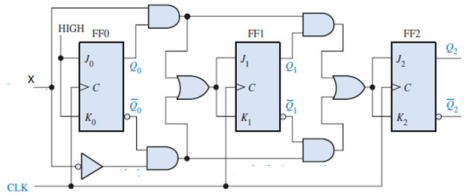
A figura a seguir mostra, com contador formado por flip-flops JK, portas OR e AND. A respeito desse
circuito, o clock que alimenta o sistema tem frequência igual a 90Hz. Referente ao assunto, assinale a
alternativa correta.
