Magna Concursos
Questões
Planos
Entrar
Entrar
Criar Conta
Respondida
164948
Ano:
2018
Disciplina:
Mecânica
Banca:
CESGRANRIO
Orgão:
Petrobrás
Provas:
Técnico de Suprimento de Bens e Serviços - Mecânica
Provas
×
Hidráulica
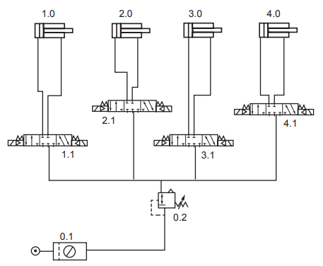
A Figura abaixo apresenta o circuito pneumático de um simulador vertical de movimentos.
O item indicado pela numeração 1.1 representa
A
Válvula direcional 5/3 vias acionada por solenoide
B
Válvula direcional 5/3 vias com posição central para escape
C
Válvula direcional 3/2 vias acionada pneumaticamente
D
Válvula direcional 3/2 vias servocomandada
E
Válvula direcional 4/3 vias com exaustão cruzada
Resolver
Comentários
0
×
Cadernos
×
Flashcards
×
Estatísticas
×
Reportar um erro
×
Provas
Questão presente nas seguintes provas
Técnico de Suprimento de Bens e Serviços - Mecânica
60 Questões
Resolver Prova
Publicar
Responder
Qual o problema da questão?
Selecione uma opção
Questão Desatualizada
Questão Repetida
Gabarito Errado
Outros Motivos
Mensagem
Enviar
Acessar
Criar Conta
Acesse sua Conta
Google
Facebook
Esqueci minha senha
Acessar
Ainda não tem conta?
Crie uma
!
Crie uma Conta
Criar Conta
Olá, para continuar, precisamos criar uma conta!
É
rápido
e
grátis
.
Google
Facebook
Concordo com os
Termos de Uso
Criar
Já tem uma conta?
Acesse aqui