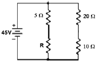
Um circuito elétrico resistivo é representado a seguir.

O valor do resistor R, para que a potência do circuito seja de 135 W é igual a
Provas
Questão presente nas seguintes provas
Auxiliar Legislativo - Eletricista de Manutenção
50 Questões