Magna Concursos
Questões
Planos
Entrar
Entrar
Criar Conta
Respondida
2543187
Ano:
2017
Disciplina:
Engenharia Elétrica
Banca:
DIRENS Aeronáutica
Orgão:
EEAr
Provas:
EAGS - Eletricidade
Provas
×
Gerenciamento de Obras
Projeto e Orçamentação
Projetos Elétricos
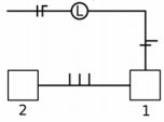
Analisando o circuito abaixo, assinale a alternativa correta.
A
O circuito em questão é um three-way.
B
O circuito em questão é um four-way.
C
Os símbolos 1 e 2 são interruptores de varias seções.
D
Os símbolos 1 e 2 são interruptores de duas seções
Resolver
Comentários
0
×
Cadernos
×
Flashcards
×
Estatísticas
×
Reportar um erro
×
Provas
Questão presente nas seguintes provas
EAGS - Eletricidade
100 Questões
Resolver Prova
Publicar
Responder
Qual o problema da questão?
Selecione uma opção
Questão Desatualizada
Questão Repetida
Gabarito Errado
Outros Motivos
Mensagem
Enviar
Acessar
Criar Conta
Acesse sua Conta
Google
Facebook
Esqueci minha senha
Acessar
Ainda não tem conta?
Crie uma
!
Crie uma Conta
Criar Conta
Olá, para continuar, precisamos criar uma conta!
É
rápido
e
grátis
.
Google
Facebook
Concordo com os
Termos de Uso
Criar
Já tem uma conta?
Acesse aqui