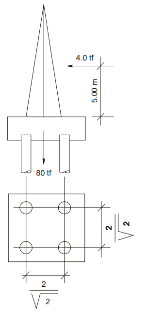
Para fundação de uma torre, com as cargas indicadas, foi projetado um bloco sobre 4 estacas, conforme a figura abaixo.

O diâmetro, em cm, e a capacidade, em tf, de cada estaca, são, respectivamente:
Para fundação de uma torre, com as cargas indicadas, foi projetado um bloco sobre 4 estacas, conforme a figura abaixo.

O diâmetro, em cm, e a capacidade, em tf, de cada estaca, são, respectivamente: