
Considere o banheiro representado acima. Em sua planta elétrica, por meio da distribuição do cabeamento, podemos observar três circuitos distintos.
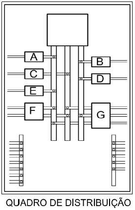
Observe atentamente o esquema do quadro de distribuição abaixo e marque a opção que apresenta o(s) disjuntor(es) que NÃO poderia(m) pertencer a um circuito do banheiro representado acima.
