Magna Concursos
2284806 Ano: 2014
Disciplina: Engenharia Mecânica
Banca: UFSCAR
Orgão: UFSCAR

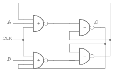
A figura a seguir representa um flip-flop JK. Os pontos “A”, “B” e “C” são, respectivamente:

Enunciado 2948783-1

 

Provas

Questão presente nas seguintes provas

Técnico de Laboratório - Industrial

60 Questões