Magna Concursos
2521464 Ano: 2016
Disciplina: Engenharia Eletrônica
Banca: IF-SUL
Orgão: IF-SUL
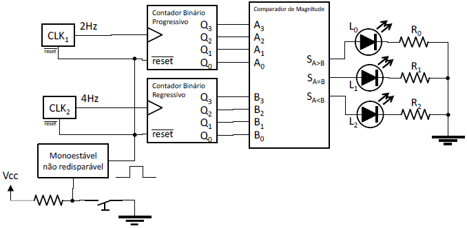
Ao pressionar o botão, o multivibrador monoestável não redisparável do circuito abaixo produz um pulso de nível alto de 5s de duração. O pulso gerado pelo monoestável desativa o reset dos contadores e dos geradores do sinal de relógio. O gerador de 2Hz gera o sinal de contagem de um contador binário progressivo e o gerador de 4Hz gera o sinal de contagem de um contador binário regressivo. Um comparador de magnitude de 4 bits compara as saídas dos contadores e ativa 3 leds de acordo com os valores dos contadores.
Enunciado 2830222-1
A partir do evento citado, é correto afirmar que o led
 

Provas

Questão presente nas seguintes provas