
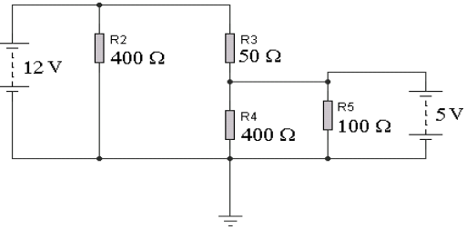
Um circuito elétrico de corrente contínua é mostrado na figura acima. Para esse circuito, qual alternativa representa o valor da potência dissipada no resistor R4?

Um circuito elétrico de corrente contínua é mostrado na figura acima. Para esse circuito, qual alternativa representa o valor da potência dissipada no resistor R4?