
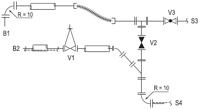
Na figura acima, B1 e B2 são bombas, V1, V2 e V3 são válvulas, e S3 e S4 são as saídas do fluido.
Considere que a válvula esfera está sempre aberta e que B1 tem pressão de descarga maior que B2.
De acordo com as informações acima, analise as afirmativas.
I - Abrindo simultaneamente a válvula gaveta e a válvula globo, o fluido que sai em S3 é mais quente que o que sai em S4.
II - Abrindo a válvula gaveta e fechando a válvula globo, a temperatura em S4 aumenta.
III - Fechando a válvula gaveta e abrindo a válvula globo, as temperaturas nas saídas S3 e S4 são as mesmas.
IV - Fechando simultaneamente a válvula gaveta e a válvula globo, há saída de fluido somente em S4.
Estão corretas APENAS as afirmativas
Provas
Questão presente nas seguintes provas
Técnico - Inspeção de Equipamentos e Instalações
60 Questões