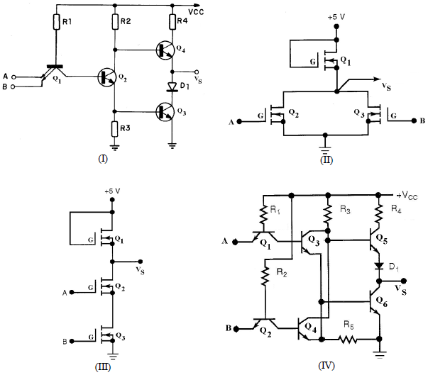
Os circuitos abaixo mostram portas lógicas básicas usando transistores bipolares e transistores de efeito de campo (MOSFET, canal N). A e B são os terminais de entrada e Vs o de saída.

Assinale a função lógica realizada pelos circuitos, na sequência I, II, III e IV.