2740504
Ano: 2023
Disciplina: Engenharia Elétrica
Banca: FEPESE
Orgão: Pref. Balneário Camboriú-SC
Disciplina: Engenharia Elétrica
Banca: FEPESE
Orgão: Pref. Balneário Camboriú-SC
Provas:
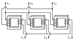
Em um dado sistema foram utilizados três transformadores monofásicos para formar uma configuração trifásica.

Fonte: Máquinas elétricas e acionamento / Edson Bim. - Rio de Janeiro: Elsevier, 2018.
Considerando L1, L2 e L3 como as entradas do primário e L’1, L’2 e L’3 são as saídas do secundário, qual a configuração de ligação do primário e secundário, respectivamente?