
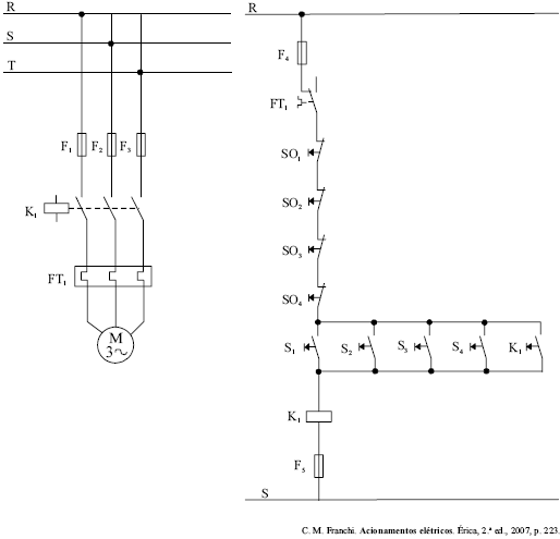
A figura acima mostra o esquema dos circuitos de comando e de força para acionamento de um motor de indução trifásico. Considerando que todos os componentes estejam corretamente dimensionados e instalados no circuito, julgue os itens seguintes.
O motor pode ser comandado de mais de um ponto, dependendo do botão a ser pressionado.