Magna Concursos
2449364 Ano: 2012
Disciplina: Engenharia Elétrica
Banca: FUNDATEC
Orgão: PROCERGS
Provas:

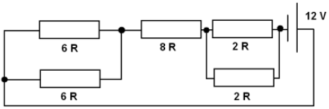
Baseado no diagrama abaixo, marque a alternativa que apresenta o valor mais aproximado da tensão no resistor de 8!$ Ω !$

Enunciado 3573393-1

 

Provas

Questão presente nas seguintes provas

Técnico em Eletrônica

50 Questões