Magna Concursos
Questões
Planos
Entrar
Entrar
Criar Conta
Respondida
316777
Ano:
2012
Disciplina:
Engenharia Eletrônica
Banca:
CESGRANRIO
Orgão:
Petrobrás
Provas:
Técnico de Projetos, Construção e Montagem - Eletrônica
Provas
×
Contadores e registradores
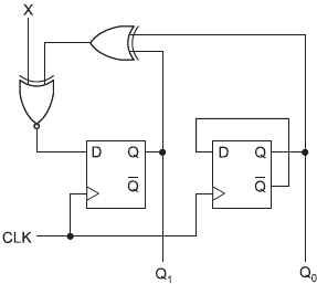
O circuito lógico sequencial mostrado na figura representa um contador binário em anel de dois bits, com Q1 sendo o bit mais significativo, em que a contagem é
A
crescente quando X = 0, e é decrescente quando X = 1.
B
crescente quando X = 1, e é decrescente quando X = 0.
C
crescente quando X = 0, e é interrompida quando X = 1, mantendo-se o último estado inalterado.
D
decrescente quando X = 0, e é interrompida quando X = 1, mantendo-se o último estado inalterado.
E
decrescente quando X = 1, e é interrompida quando X = 0, mantendo-se o último estado inalterado.
Resolver
Comentários
0
×
Cadernos
×
Flashcards
×
Estatísticas
×
Reportar um erro
×
Provas
Questão presente nas seguintes provas
Técnico de Projetos, Construção e Montagem - Eletrônica
60 Questões
Resolver Prova
Publicar
Responder
Qual o problema da questão?
Selecione uma opção
Questão Desatualizada
Questão Repetida
Gabarito Errado
Outros Motivos
Mensagem
Enviar
Acessar
Criar Conta
Acesse sua Conta
Google
Facebook
Esqueci minha senha
Acessar
Ainda não tem conta?
Crie uma
!
Crie uma Conta
Criar Conta
Olá, para continuar, precisamos criar uma conta!
É
rápido
e
grátis
.
Google
Facebook
Concordo com os
Termos de Uso
Criar
Já tem uma conta?
Acesse aqui