Acerca de instrumentos indicadores eletromecânicos, julgue o item que se segue.
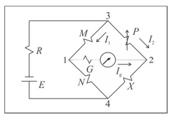
Na ponte de Wheatstone a seguir, a condição de zero no ramo central será obtida quando os parâmetros da rede forem tais que a corrente Ig seja igual a 0, de modo que a tensão entre os pontos 1 e 2 é nula. Na condição de equilíbrio, os produtos entre os resistores opostos deverão ser iguais, quaisquer que sejam os valores de E, R e G.

Provas
Questão presente nas seguintes provas
Analista Judiciário - Engenharia Eletrônica
120 Questões