- Mecânica dos SólidosModelagem Estática e Dinâmica
- Mecânica dos SólidosElasticidade Linear, Plasticidade, Fratura, Fadiga e Flambagem
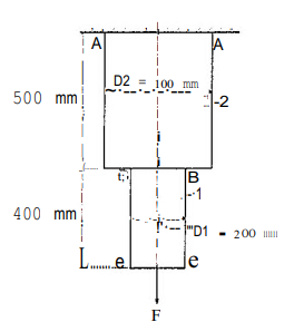
Observe a figura a seguir.

A figura acima representa uma barra de duas secções (1 e 2). As peças AB e BC são feitas de alumínio e possuem diâmetro 02 igual a 400 mm e diâmetro 01 igual a 200 mm. Sabendo que o alongamento total da peça é igual a 0,00700 mm. determine a carga F na peça e assinale a opção correta.
Dados:
Ea1 = 70 Gpa
'rt= 3100