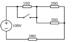
Observe o circuito ao lado.

As correntes fornecidas pela fonte quando a chave está aberta e quando a chave está fechada, são respectivamente:
Provas
Questão presente nas seguintes provas
Professor PEBTT - Processos Industriais/Área 04
40 Questões