
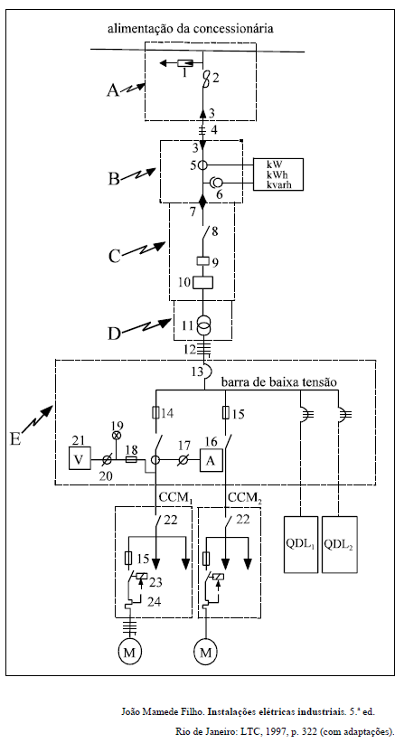
Relativamente aos equipamentos e dispositivos elétricos industriais e tendo em vista o texto CE-II, julgue o item seguinte.
Os quadrados tracejados da figura identificados pelas letras A, B, C, D e E delimitam, respectivamente, o ponto de entrega de energia, o posto de medição, o posto de proteção, o posto de transformação e o quadro geral de força (QGF).