O AutoCAD possui muitos comandos auxiliares do desenho. No que se refere a esses comandos e suas aplicações, julgue os itens a seguir.
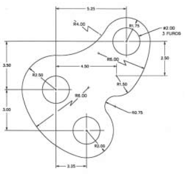
O traçado de figuras que combinem arcos e retas em concordância, como ilustrado na figura abaixo, é um desafio no desenho com instrumentos convencionais como régua, esquadro e compasso. No AutoCAD, esse traçado é simplificado pelo uso de comandos como Circle -> TTR, complementado com o comando Trim ou pelo uso da opção Osnap -> Tangent em conjunto com o comando Line.
