Magna Concursos
534622 Ano: 2018
Disciplina: Engenharia Eletrônica
Banca: FUNDEP
Orgão: INB
Provas:

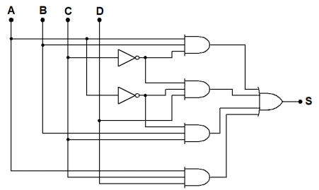
Analise o circuito lógico a seguir.

enunciado 534622-1

A expressão da saída S desse circuito é igual a:

 

Provas

Questão presente nas seguintes provas