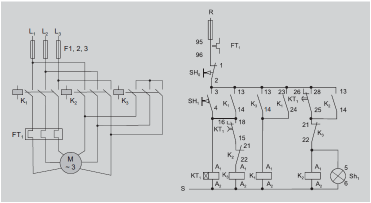
A figura apresentada mostra os circuitos de força e comando para uma chave de partida estrela-triângulo de um motor de indução trifásico.

A respeito da chave de partida estrela-triângulo e dos circuitos representados, são feitas as seguintes afirmações:
I - Os contatores K1 e K2 são responsáveis pela ligação estrela, enquanto os contatores K1 e K2 são responsáveis pela ligação triângulo.
II - Para proteger adequadamente o motor, operando com carga nominal, o relé de sobrecarga FT1 deverá ser ajustado para a corrente nominal do motor na ligação triângulo.
III - Para que seja possível utilizar essa chave de partida, a tensão trifásica da rede deve coincidir com a tensão da ligação estrela do motor.
Está(ão) correta(s)