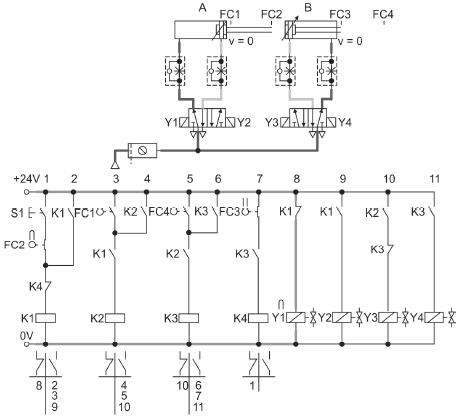
As chaves fim de curso são interruptores de posição utilizados em comandos eletropneumáticos para indicar a posição atual de um atuador e comutar a sequência através de contatos elétricos “abertos” e/ou “fechados”. O circuito eletropneumático apresentado na figura abaixo representa o estado inicial após a energização e pressurização do sistema. A sequência de acionamentos A-B+B-A+ será executada após o pulso do botão S1.

Sendo os elementos FC1, FC2, FC3 e FC4 chaves fim de curso, as características dos contatos de cada fim de curso que devem fazer parte da lista de materiais são:
Provas
Questão presente nas seguintes provas