Acerca de subestações e sistemas de proteção em subestações de energia elétrica, julgue os itens a seguir.
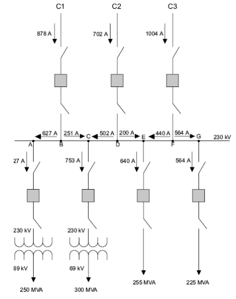
O diagrama unifilar a seguir representa uma subestação abaixadora de 230 kV para 69 kV com três circuitos alimentadores.

Provas
Questão presente nas seguintes provas
Analista de Planejamento - Engenharia Elétrica
140 Questões