
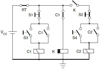
A figura acima apresenta o circuito de comando de duas máquinas trifásicas, acionadas por intermédio dos contatores C1 e C2. As chaves S1, S2, S3 e S4 são do tipo sem retenção e K representa um relé de tempo com retardo no desligamento de 3 minutos. Considere que acionar uma chave significa apertá-la e soltá-la logo em seguida. Com relação ao funcionamento do sistema em condições normais e supondo os contatores C1 e C2 inicialmente desenergizados, analise as afirmativas a seguir.
I - Se a chave S3 for acionada, então, passados 10 minutos, o acionamento da chave S4 será inútil para colocar em funcionamento a máquina comandada por C2.
II - Acionando-se a chave S4, a máquina comandada por C2 entrará em funcionamento. Passados 15 minutos, o operador aciona a chave S3. Neste caso, ambas as máquinas funcionarão simultaneamente até que ocorra uma nova interferência do operador.
III - A máquina comandada por C1 poderá ser acionada, independente de a máquina comandada por C2 estar desligada ou em funcionamento.
É correto o que se afirma em