
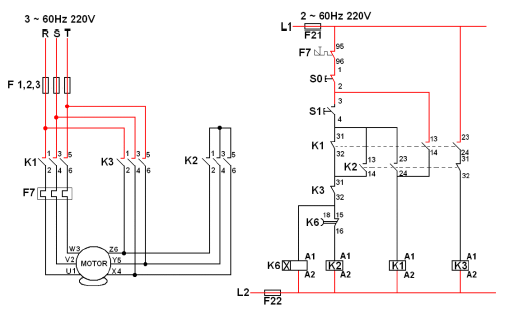
A figura acima mostra o esquema elétrico de partida Estrela – Triângulo do motor de indução trifásico. No lado esquerdo, o circuito de potência, e no lado direito, o circuito de comando.
Qual a sequência correta de operação dos contatores K1, K2 e K3?