- Transformadores e Máquinas ElétricasPrincípios BásicosControle Eletrônico de Máquinas Elétricas
- Transformadores e Máquinas ElétricasMáquinas AssíncronasPartida e Controle de velocidade

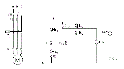
Os circuitos terminais de alimentação dos motores de indução trifásicos para aplicações normais exigem dispositivos específicos que diferem dos circuitos comuns para iluminação e tomadas. Entre esses dispositivos, destacam-se aqueles para ligar, ou partir, e desligar o motor de forma segura, com os seus respectivos circuitos de controle. A figura acima apresenta os circuitos de força e de comando para uma chave de partida direta de motor de indução trifásico com rotor em gaiola. Com o auxílio dessa figura, julgue os itens que se seguem, acerca dos procedimentos de acionamento e controle dos motores de indução trifásicos.
A inserção de um relé de seqüência de fase atuando sobre o circuito de comando da bobina do contator principal, em série com o relé térmico, impede que a rotação do motor de indução trifásico tenha o seu sentido invertido.