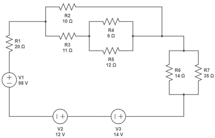
O circuito representado na figura a seguir é composto por três fontes de tensão CC e 7 resistores.

Assinale a alternativa que apresenta a resistência equivalente do circuito em Ohms e o módulo total da corrente em amperes.
O circuito representado na figura a seguir é composto por três fontes de tensão CC e 7 resistores.

Assinale a alternativa que apresenta a resistência equivalente do circuito em Ohms e o módulo total da corrente em amperes.