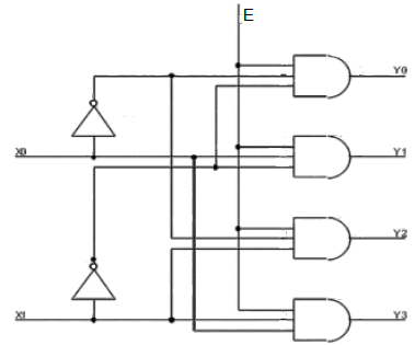
A figura abaixo mostra uma implementação de um decodificador binário. Nessa figura, os sinais de entrada e os sinais de saída são ativos em nível alto.

Quando os sinais de entrada E (Enable), X0 e X1 forem iguais a 1, 0 e 1, os sinais de saída Y0, Y1, Y2 e Y3 serão, respectivamente, iguais a