Magna Concursos
90123 Ano: 2008
Disciplina: Engenharia Elétrica
Banca: CESGRANRIO
Orgão: BR Distribuidora

Enunciado 3565686-1

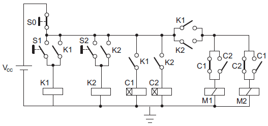
A figura apresenta a parte de controle do circuito de acionamento de duas máquinas trifásicas em uma instalação fabril, comandadas por intermédio dos contatores M1 e M2. As chaves S0, S1 e S2 são do tipo sem retenção. A ação de acionar uma chave significa apertá-la e, em seguida, deixá-la retornar à sua posição inicial. Os relés C1 e C2 são do tipo com retardo na ligação, programados para 10 minutos e 15 minutos, respectivamente. Considere que a última ação do operador ao final de cada expediente seja o acionamento da chave S0.

Ao iniciar o expediente do dia 16/02, o operador aciona a chave S1 às 8h e, 5 minutos depois, a chave S2. Com relação ao funcionamento normal do circuito e não ocorrendo novas interferências do operador, é correto afirmar que

 

Provas

Questão presente nas seguintes provas

Profissional Jr - Engenharia Elétrica

70 Questões