Magna Concursos
Questões
Planos
Entrar
Entrar
Criar Conta
Respondida
2118932
Ano:
2013
Disciplina:
Engenharia Eletrônica
Banca:
UFC
Orgão:
UFC
Provas:
Engenheiro - Engenharia de Teleinformática
Provas
×
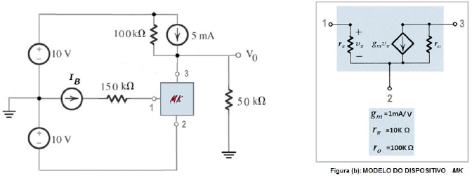
No circuito abaixo, o modelo para o dispositivo MK é mostrado na figura b). Então o valor absoluto da variação observada na tensão V0 devido a uma variação em IB de ΔIB é igual a:
A
50ΔIB
B
100ΔIB
C
150ΔIB
D
200ΔIB
E
250ΔIB
Resolver
Comentários
0
×
Cadernos
×
Flashcards
×
Estatísticas
×
Reportar um erro
×
Provas
Questão presente nas seguintes provas
Engenheiro - Engenharia de Teleinformática
50 Questões
Resolver Prova
Publicar
Responder
Qual o problema da questão?
Selecione uma opção
Questão Desatualizada
Questão Repetida
Gabarito Errado
Outros Motivos
Mensagem
Enviar
Acessar
Criar Conta
Acesse sua Conta
Google
Facebook
Esqueci minha senha
Acessar
Ainda não tem conta?
Crie uma
!
Crie uma Conta
Criar Conta
Olá, para continuar, precisamos criar uma conta!
É
rápido
e
grátis
.
Google
Facebook
Concordo com os
Termos de Uso
Criar
Já tem uma conta?
Acesse aqui