
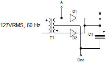
No circuito retificador, com filtro capacitivo, conforme figura abaixo, um estudante de eletrônica mediu a tensão com um multímetro, selecionado para escala VAC, 12VRMS entre os pontos A e GND. Depois, com o mesmo multímetro, agora selecionado para a escala VDC, mediu-se +15,9VDC entre os pontos B e GND. Sabendo-se que o multímetro estava perfeitamente calibrado e aferido, foi usado corretamente em ambas as medições, e ainda que os diodos empregados apresentam uma queda de tensão de, aproximadamente, 1V cada, é CORRETO dizer que:
Dado: O secundário do trafo é de 12+12VRMS