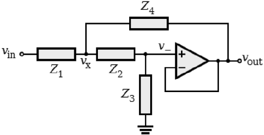
Filtros são circuitos eletrônicos projetados para permitir, ou não, a passagem de um sinal, cujo espectro esteja dentro de um valor preestabelecido pelo projetista. Um filtro ativo de topologia Sallen Key é mostrado abaixo.

Escolhendo se adequadamente as impedâncias implementa se passa baixas, passa altas ou passa faixa com resposta tipo Bessel, Butterworth, Chebyshev, etc. Analisando a função de transferência desse filtro, nesta perspectiva, leia com atenção as afirmações a seguir e marque V para as verdadeiras e F para as falsas:
( ) Se Z1 e Z2 forem dois resistores e Z4 e Z3 dois capacitores temos um filtro passa altas.
( ) Se Z1 e Z2 forem dois capacitores e Z4 e Z3 forem dois resistores temos um filtro passa altas.
( ) Para um projeto de filtros passa baixas, primeiro seleciona se a frequência de corte e o fator de qualidade, depois fixa se o valor das resistências, ou seja, determina se a impedância de entrada do filtro na faixa de bloqueio, e então determina se o valor dos capacitores.
( ) Para um projeto de filtros passa altas, primeiro seleciona se a frequência de corte e o fator de qualidade, depois fixa se o valor das resistências, ou seja, determina se a impedância de entrada do filtro na faixa de bloqueio, e então determina se o valor dos capacitores.
Assinale a alternativa que apresenta somente as afirmativas CORRETAS.