Magna Concursos
452564 Ano: 2017
Disciplina: Engenharia Elétrica
Banca: UFMT
Orgão: UFSB
Provas:
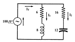
O circuito de corrente alternada da figura contém duas impedâncias em paralelo alimentadas por uma fonte monofásica cuja tensão eficaz é 100 V.
Considerar: - resistências e reatâncias em Ohms.
Enunciado 452564-1
A potência ativa total dissipada no circuito é:
 

Provas

Questão presente nas seguintes provas

Engenheiro Eletricista

110 Questões