
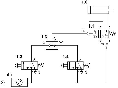
Considere o circuito pneumático representado acima e identifique como verdadeiras (V) ou falsas (F) as seguintes afirmativas:
( ) O símbolo 1.1 representa uma válvula reguladora de fluxo.
( ) O símbolo 1.6 representa uma válvula de simultaneidade (válvula E).
( ) Ao ser acionada, a válvula 1.2 provocará o movimento de avanço do cilindro 1.0.
( ) Ao ser acionada, a válvula 1.4 provocará o movimento de retorno do cilindro 1.0.
Assinale a alternativa que apresenta a sequência correta, de cima para baixo.