Observe o circuito a seguir:

(Adap. de Boylestad – Introdução à analise de circuitos - 8ª ed.)
Os valores das correntes I1 e I2, no regime estacionário, são respectivamente:
Provas
Questão presente nas seguintes provas
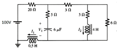
Observe o circuito a seguir:

(Adap. de Boylestad – Introdução à analise de circuitos - 8ª ed.)
Os valores das correntes I1 e I2, no regime estacionário, são respectivamente: