Magna Concursos
949773 Ano: 2012
Disciplina: Engenharia Eletrônica
Banca: DIRENS Aeronáutica
Orgão: CIAAR

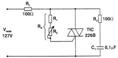
O circuito da figura representa um controle de fase com TRIAC, para se garantir um disparo qualquer em 90º, considerando IGT = 75 mA e VGT = 2,5 V.

Enunciado 949773-1

O valor de RX deve ser, aproximadamente, igual a

 

Provas

Questão presente nas seguintes provas

EAOEAR - Engenharia Eletrônica

60 Questões