Magna Concursos
Questões
Planos
Entrar
Entrar
Criar Conta
Respondida
2282981
Ano:
2014
Disciplina:
Engenharia Mecânica
Banca:
MS CONCURSOS
Orgão:
UFAC
Provas:
Técnico de Mecânica
Provas
×
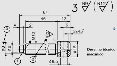
Desenho Técnico Mecânico
Assinale a alternativa que indica corretamente os símbolos no desenho mecânico a seguir:
A
(1) Chanfro; (2) Rosca Métrica; (3) Chanfro.
B
(1) Acabamento superficial; (2) Rosca Métrica; (3) Chanfro.
C
(1) Rosca Métrica; (2) Acabamento superficial; (3) Diâmetro externo.
D
(1) Diâmetro externo; (2) Ressalto; (3) Acabamento superficial.
E
(1) Acabamento superficial; (2) Ressalto; (3) Diâmetro externo.
Resolver
Comentários
0
×
Cadernos
×
Flashcards
×
Estatísticas
×
Reportar um erro
×
Provas
Questão presente nas seguintes provas
Técnico de Mecânica
60 Questões
Resolver Prova
Publicar
Responder
Qual o problema da questão?
Selecione uma opção
Questão Desatualizada
Questão Repetida
Gabarito Errado
Outros Motivos
Mensagem
Enviar
Acessar
Criar Conta
Acesse sua Conta
Google
Facebook
Esqueci minha senha
Acessar
Ainda não tem conta?
Crie uma
!
Crie uma Conta
Criar Conta
Olá, para continuar, precisamos criar uma conta!
É
rápido
e
grátis
.
Google
Facebook
Concordo com os
Termos de Uso
Criar
Já tem uma conta?
Acesse aqui