- EletromagnetismoElétricaAssociação de Resistores
- EletromagnetismoElétricaCircuitos Elétricos Especiais: Leis de Kirchhoff e Ponte de Wheatstone
- EletromagnetismoElétricaEletricidade
- EletromagnetismoElétricaEletrodinâmica
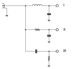
Em um sistema de vídeo remoto, tal como em alguns endoscópios, os sinais de vídeo e de alimentação do circuito da câmera trafegam em um único cabo coaxial. Nesse contexto, analise o diagrama a seguir

Em relação a esse diagrama, a opção que indica a separação dos sinais de vídeo e de alimentação do sinal composto, que trafegam no cabo coaxial, é: