Na Figura abaixo, é representada uma função lógica.

O sinal de saída S dessa função lógica é equacionado pela seguinte expressão:
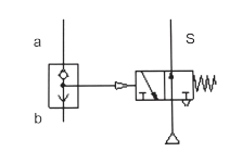
Na Figura abaixo, é representada uma função lógica.

O sinal de saída S dessa função lógica é equacionado pela seguinte expressão: