
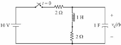
No circuito elétrico ideal acima ilustrado, a chave é fechada no instante t = 0, proporcionando o funcionamento do circuito para tempos posteriores. Antes de ligar a chave, não havia energia armazenada no indutor e no capacitor. A partir dessas informações, julgue o item seguinte.
Em regime permanente — longo tempo após a chave ter sido ligada —, a tensão nos terminais do capacitor é igual a 5 V.
Em regime permanente — longo tempo após a chave ter sido ligada —, a tensão nos terminais do capacitor é igual a 5 V.
Provas
Questão presente nas seguintes provas