Magna Concursos
2778526 Ano: 2023
Disciplina: Engenharia Elétrica
Banca: FUNDATEC
Orgão: GHC
Provas:

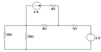
Para o circuito apresentado na imagem a seguir, determine a potência no resistor de 1Ω.

Enunciado 2778526-1

 

Provas

Questão presente nas seguintes provas

Engenheiro Eletricista

50 Questões