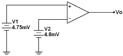
Considere o circuito ilustrado na figura a seguir. O ganho deve ser considerado igual 100.000.

Circuito esquemático
Com base nos dados acima, é CORRETO afirmar que o valor de Vo é:
Considere o circuito ilustrado na figura a seguir. O ganho deve ser considerado igual 100.000.

Circuito esquemático
Com base nos dados acima, é CORRETO afirmar que o valor de Vo é: