A figura abaixo mostra um circuito retificador trifásico. A tensão em cada fase é de 120VRMS.

O valor médio da tensão na carga é de aproximadamente:
Provas
Questão presente nas seguintes provas
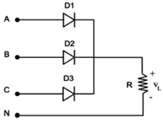
A figura abaixo mostra um circuito retificador trifásico. A tensão em cada fase é de 120VRMS.

O valor médio da tensão na carga é de aproximadamente: