
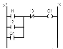
Considere que um CLP tem conectado nas suas entradas I1, I2 e I3, os botões B1, B2 e B3, respectivamente, todos normalmente abertos. Na sua saída Q1, o CLP tem conectada a lâmpada L1. Assinale a alternativa correta com relação a essa programação iadder.