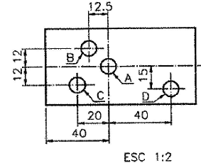
Analise o desenho técnico abaixo.

Q sistema empregado foi de cotagem:
Provas
Questão presente nas seguintes provas
Corpo Auxiliar de Praças - Estruturas Navais
50 Questões
Analise o desenho técnico abaixo.

Q sistema empregado foi de cotagem: